| EN
0

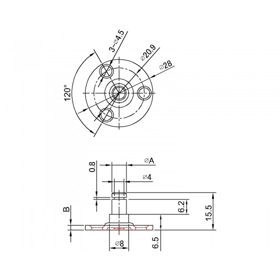
Brackets
BKTS-19A(Bolt 6mm)    (Thickness 2mm)
Product details


Unit:mm

Model No. Bolt or Ball
( ∅A )
Thickness
 ( B )
Bolt or Ball Material  Plate Material Surface Treatment Weight (g)
BKTS-19A SUS304 6 2 SUS303 SUS304 Vibratory Grinding