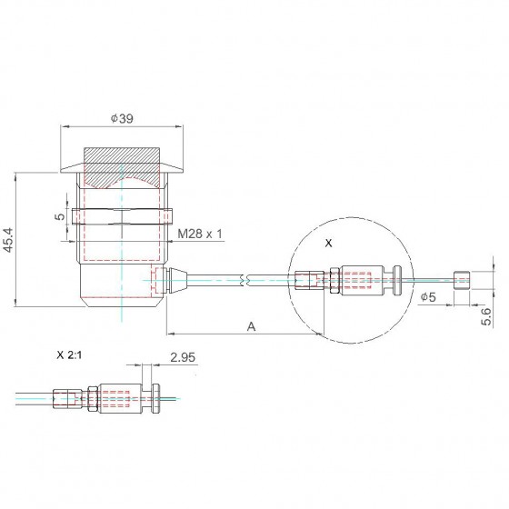
Unit:mm
The protruding push button controllers is the original design of German STABILUS, which is specially provided to BOL series gas springs as a release system for activating the positioning type nitrogen cylinder switch.
The system on a device linked to Release Heads via wire, the button lets you design in an appropriate position , so that labor and easy operator.
1. The following three types of button controllers need to be used in combination with the Light release head type to form a complete release system.
PN : STDE-ACC-BOL-079354、STDE-ACC-BOL-081505、STDE-ACC-BOL-082700
2. The following three types of button controllers need to be used in combination with the Ultra light release head type to form a complete release system.
PN : STDE-ACC-BOL-069316、STDE-ACC-BOL-072901、STDE-ACC-BOL-074813
Office:No. 6, Ln. 151, Minsheng St., Sanxia Dist., New Taipei City 237, Taiwan (R.O.C.)
Factory 1:No. 6, Aly. 7, Ln. 44, Zhonghua Rd., Sanxia Dist., New Taipei City 237, Taiwan (R.O.C.)
Factory 2:No. 56, Ln. 673, Jianxing Rd., Longtan Dist., Taoyuan City 325, Taiwan (R.O.C.)




