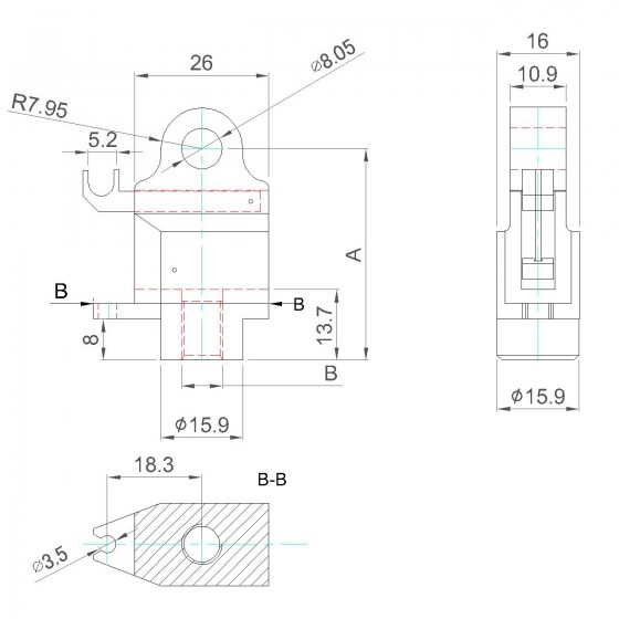
Unit:mm
| Part No. | Hole Center To End (A) |
Thread (B) |
Hole Dia. | Material |
| STDE-ACC-BOL-074574 | 41 | M8X1.0 | Ø8 | Alloy Die Casting |
| STDE-ACC-BOL-112485 | 41 | M10X1.0 | Ø8 | Alloy Die Casting |
1. PN: STDE-ACC-BOL-074574 Suit for : BOLOBT Gas spring series.
2. PN: STDE-ACC-BOL-112485 Suit for : BOL Gas spring series , BOL-T Gas spring series.
3. The joint can use a pressure bar with a maximum pressure of 1000N.
4. It can be used with various Push-buttons controllers to become a complete control mechanism, which is convenient for customers to design and use.
Office:No. 6, Ln. 151, Minsheng St., Sanxia Dist., New Taipei City 237, Taiwan (R.O.C.)
Factory 1:No. 6, Aly. 7, Ln. 44, Zhonghua Rd., Sanxia Dist., New Taipei City 237, Taiwan (R.O.C.)
Factory 2:No. 56, Ln. 673, Jianxing Rd., Longtan Dist., Taoyuan City 325, Taiwan (R.O.C.)




