| EN
0

New Products
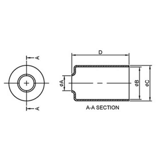
HDPE ANTI-DUST CAP
Product details

 New Products. Please reference website. (link)