Uint:mm
|
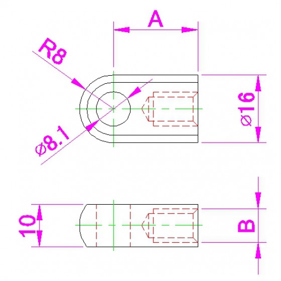
Model No. |
Hole Center To End (A) |
Thread (B) |
Material |
Surface Treatment |
| L325M6 | 25 | M6X1.0 | ALUMINUM | VibratoryGrinding |
| L327M6 | 27.5 | M6X1.0 | ALUMINUM | VibratoryGrinding |
| L325M8 | 25 | M8X1.25 | ALUMINUM | VibratoryGrinding |
| L327M8 | 27.5 | M8X1.25 | ALUMINUM | VibratoryGrinding |
Office:No. 6, Ln. 151, Minsheng St., Sanxia Dist., New Taipei City 237, Taiwan (R.O.C.)
Factory 1:No. 6, Aly. 7, Ln. 44, Zhonghua Rd., Sanxia Dist., New Taipei City 237, Taiwan (R.O.C.)
Factory 2:No. 56, Ln. 673, Jianxing Rd., Longtan Dist., Taoyuan City 325, Taiwan (R.O.C.)




